
Gjenreisningshus
Vi har vært med på å demontere bolighuset og fjøset i Porsanger og sette bygningene opp igjen på museet. Her ønsker vi å vise noe av arbeidet vi har gjort - særlig det som er skjulte konstruksjoner, og ikke kan sees i ettertid.
Tradisjonelt var husene i Finnmark laftehus før nedbrenningen under krigen. Gjenreisningshusene ble bygget med forskjellige metoder. Noen ble bygget med lafteplank, maskinlagde ca.7 x 15cm liggende planker med dobbel not og fjær. Disse ble papptettet og panelt innvendig og utvendig. Andre ble bygget i kraftig (tungt) bindingsverk. Noen hus var delvis prefabrikkerte og satt sammen av elementer.
Bolighuset fra Olderfjord
Bolighuset fra Olderfjord er «plassbygget» i kraftig bindingsverk. Stolper/stendere er 10 x 10 cm, og 5 x 10 cm. Golvbjelker er ca.7 x 20 cm. Gulvbjelkene er forbundet med grunnmursvillene ca.12 x 12 cm med «kam- minger». Veggene er kledd med to lag papp og panel på begge sider. På grunn av råteskader er ca. 1/3 av materialene byttet ut med nye.
Fjøset fra Indre Billefjord
Fjøset fra Indre Billefjord er bygget i et kraftig bindingsverk, på tradisjonelt vis. Her er også stolper/stendere tappet inn i grunnmursvill og toppsvill. Fjøsdelen inne i låven er laget av maskinlaget lafteplank. I hjørnene er plankene føyd sammen med «tapplaft», lokalt i Finnmark også kalt «kvensk laft». Fjøsdelen var veldig råte- skadet, så alle materialene er nye. Fjøset har pipe og bryg- gerpanne, hvor de kokte «løype» som tilleggsfór til dyra. Pipa ble demontert i seksjoner i Finnmark og heist på plass her på museet. Sperrebindene i taket, som bærer åsene, er støttet opp av knebukker, som også stiver av langveggene.

Delene til bindingsverket ble lagt i et telt med avfukter etter at de hadde blitt desinfisert med en kloroppløsning. Teltet ble brukt til å sortere alle delene etter merking og plassering i bygget og til å reparere og bytte ut råteskadde deler. Foto: Espen Revold, Norsk Folkemuseum.

Vi benyttet kun håndverktøy under arbeidet med å sette i stand og produsere nye deler til bindingsverket. Vi tror ikke vi hadde brukt kortere tid ved hjelp av elektrisk verktøy på dette arbeidet. Foto: Einar Haugen, Norsk Folkemuseum.

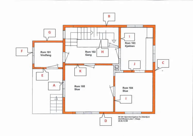
Dette er et merkekart som viser delenes plassering i bygget. Alle delene var merket med funksjon, romnummer og veggbokstav. Tegnet av Stian Myhren, Norsk Folkemuseum.

Bjelkelaget mellom kjeller og 1. etasje er på plass. Vi la på et midlertidig gulv under oppføringen.
Foto: John Wennberg, Norsk Folkemuseum.

Bindingsverket i 1. etasje er oppe, og det er klart for bjelkelag. Foto: Espen Revold, Norsk Folkemuseum.

Sperrebindene settes sammen og løftes opp ved hjelp av en lekte med tau i enden. Foto: Espen Revold, Norsk Folkemuseum.

Einar Haugen lager nye gulvbjelker og sviller til låven. Bjelkene var kammet over bunnsvilla med svalehaleblad. Foto: Espen Revold, Norsk Folkemuseum.

Syllstokken på laftekassa til fjøset felles ned på bjelkeendene og bunnsvilla. Foto: Einar Haugen, Norsk Folkemuseum.

Den samme lafteteknikken var brukt i fjøset fra Indre Billefjord. Det sies at dette laftet er en kvensk tradisjon. Foto: John Wennberg, Norsk Folkemuseum.

Bindingsverk og takverk er komplett og legging av stående taktro er i gang. Ved nedtaking i Finnmark ble pipa ble demontert i flere større deler og heist opp igjen med kran på museet.
Foto: Espen Revold, Norsk Folkemuseum.

Serieproduksjon av lafteplank til fjøset. Foto: John Wennberg, Norsk Folkemuseum.

Øverste stokken i laftelaftekassa felles ned på bjelkelaget over fjøset. Foto: John Wennberg, Norsk Folkemuseum.

Pipa er ferdig, blikkenslageren beslår pipa og taktekkerne er i gang med papptekkingen. Foto: Espen Revold, Norsk Folkemuseum.

All utvendig kledning ble satt opp igjen på sin opprinnelige plassering. Foto: Lars Lunde, Norsk Folkemuseum.

Gulvet i fjøsdelen ble telgjet på kantene slik at det dannes et vspor når de legges inntil hverandre. I sporet ble det drevet inn dyttestrie. I den nedsenkede delen av gulvet blir det to møkkluker, som det var opprinnelig. Foto: Einar Haugen, Norsk Folkemuseum.

Utedoen ble tatt ned i elementer. Nå er elementene satt i stand og montert sammen og utedoen venter bare på et par strøk maling og på å bli løftet på plass i «Finn mark» på Norsk Folkemuseum. Foto: Espen Revold, NF.

Utedoens tilstand før flytting. Foto: Terje Planke, Norsk Folkemuseum.

Utedoen ferdig restaurert. Foto: Anette Ramstad

Denne artikkelen ble først publisert i Museumsbulletinen som er gitt ut av Norsk Folkemuseums venner. Her utdypes aktuelle fagtemaer i populærvitenskaplige artikler skrevet av museets fagfolk og andre bidragsytere.
Finnmarkstunet er nå ferdig og kan besøkes på Norsk Folkemuseum.